📢 Importante: Los despachos no son automáticos.

Si compraste un manual, recibirás el enlace de descarga por correo electrónico dentro de nuestro horario de atención:
🕒 8:00 AM a 12:00 AM (hora de Venezuela).

Si realizaste tu compra en la madrugada, por favor ten paciencia: te enviaremos tu pedido tan pronto como estemos disponibles.
Sabemos que estás esperando tu manual, y queremos que lo recibas lo antes posible.

Si tienes dudas o necesitas ayuda, comunícate a nuestro WhatsApp y con gusto te atenderemos.

¡Gracias por tu confianza y comprensión!

Manual De Taller Y Reparacion Nissan Sentra B14 1995-1999

$7,95




Haz clic en el botón de pago de PayPal, haz tu pago de forma segura (No es necesario tener una cuenta paypal). 

📦 Entrega gratuita via email. Sin suscripciones ni instalaciones complicadas. Solo descargas y usas.


Pago-movil-venezuela-tutalleronline

Todos los pagos que realices seran recibidos a TASA BCV. Pide los datos de pago a nuestro whatsapp comunicate aqui


Descripción

 

Manual de Reparación Nissan Sentra B14 1995–1999 en PDF

“Este no es un resumen. Es el manual completo que usa un técnico certificado.
“Lleva el taller contigo.”
Inversión única. Descarga inmediata. Soporte incluido.

Manual de taller y reparación Nissan Sentra B14

Detalles del archivo

  • Idioma: Inglés técnico
  • Formato: PDF (comprimido en .rar)
  • Peso digital: 209 MB aproximadamente
  • Edición: 1995 (válido para modelos 1995–1999)
  • Compatible con: Windows XP, 7, 8, 10, 11

No ha sido testeado en Mac. Se recomienda precaución.

Especificaciones técnicas del motor

Motor Cilindrada Distribución Cilindros / Válvulas Descripción Técnica
GA16DE 1,597 cc DOHC I4 / 16 válvulas Inyección electrónica, cadena de distribución, bloque de hierro
SR20DE 1,998 cc DOHC I4 / 16 válvulas Alto rendimiento, doble árbol de levas, relación de compresión elevada

Especificaciones técnicas de la transmisión

Tipo Modelo Velocidades Tracción Descripción Técnica
Manual RS5F31A 5 FWD Relaciones ajustadas, embrague hidráulico, sincronización eficiente
Manual RS5F32V 5 FWD Versión revisada para mayor durabilidad en condiciones adversas

Contenido del manual

  • Manual de taller completo
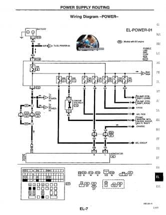
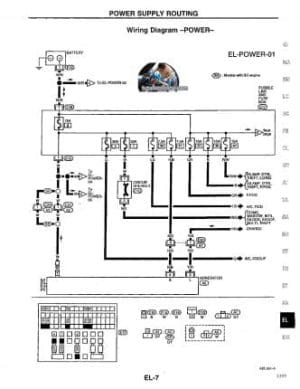
  • Diagramas eléctricos
  • Manual de usuario / propietario

Incluye temas como:

    • Información general
    • Motor
  • Suspensión delantera y trasera
  • Eje de transmisión
  • Sistema eléctrico del motor y carrocería
  • Sistema de ignición y batería
  • Frenos
  • Interior / Asientos
  • Transmisiones / Transaxle
  • Dirección
  • HVAC (calefacción y ventilación)
  • Carrocería y accesorios
  • Y mucho más (preguntar si tienes dudas)

Nota: Si tu Sentra B14 es una edición especial o modificada, consulta antes de comprar.


¿Cómo sería la entrega?

  1. Elige el manual de reparación que prefieras.
  2. Realiza tu pago
    (Si tienes problemas, contáctanos por
    WhatsApp).
  3. Recibirás tu archivo por correo electrónico tras la verificación del pago.

Información adicional

Fabricantes

También te recomendamos…

Deja una respuesta