Si compraste un manual, recibirás el enlace de descarga por correo electrónico dentro de nuestro horario de atención:
🕒 8:00 AM a 12:00 AM (hora de Venezuela).
Si realizaste tu compra en la madrugada, por favor ten paciencia: te enviaremos tu pedido tan pronto como estemos disponibles.
Sabemos que estás esperando tu manual, y queremos que lo recibas lo antes posible.
Si tienes dudas o necesitas ayuda, comunícate a nuestro WhatsApp y con gusto te atenderemos.
¡Gracias por tu confianza y comprensión!
Manual De Taller Y Reparacion Isuzu Kb-Tf 140 Rodeo 1993-1996
$7,95
Haz clic en el botón de pago de PayPal, haz tu pago de forma segura (No es necesario tener una cuenta paypal).
📦 Entrega gratuita via email. Sin suscripciones ni instalaciones complicadas. Solo descargas y usas.

Todos los pagos que realices seran recibidos a TASA BCV. Pide los datos de pago a nuestro whatsapp comunicate aqui
Descripción
Manual de Reparación Isuzu KB-TF 140 Rodeo 1993–1996 en PDF
“Este no es un resumen. Es el manual completo que usa un técnico certificado.”
“Lleva el taller contigo.”
Inversión única. Descarga inmediata. Soporte incluido.

Detalles del archivo
- Idioma: Inglés técnico
- Formato: PDF (comprimido en .rar)
- Peso digital: 48 MB aproximadamente
- Edición: Años 1993–1996
- Compatible con: Windows XP/7/8/10/11
Si usa sistema Mac, infórmelo al momento del pago.
Motores cubiertos
Especificaciones técnicas de los motores incluidos
| Modelo | Cilindrada | Distribución | Cilindros / Válvulas | Potencia / Torque |
|---|---|---|---|---|
| 4JA1 (2.5L Diesel) | 2,499 cc | SOHC | 4 en línea / 8 válvulas | 84 hp @ 3,900 rpm / 185 Nm @ 2,000 rpm |
| 4JB1-T (2.8L Turbodiésel) | 2,771 cc | OHC | 4 en línea / 8 válvulas | 95–115 hp / 220–235 Nm |
Contenido del manual
- Manual de taller completo
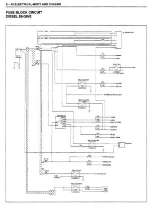
- Diagramas eléctricos
- Manual de usuario / propietario
Incluye temas como:
- Información general
- Motor y transmisión
- Suspensión, frenos, dirección
- HVAC (calefacción y ventilación)
- Sistemas de seguridad
- Carrocería y accesorios
Nota: Si tu vehículo es edición especial o modificado, consulta antes de comprar. También puedes preguntar por temas específicos del manual.
Consulta más manuales en la categoría:
ISUZU.
¿Cómo sería la entrega?
- Elige el manual de reparación que prefieras.
- Realice su pago
(si tienes problemas, contáctanos por WhatsApp haciendo clic en
Contactar). - Recibirás tu archivo por correo electrónico en menos de 1 hora tras la verificación del pago. Si pagas con criptomonedas o bolívares, por favor proporciona tu email vía WhatsApp.










Deja una respuesta
Lo siento, debes estar conectado para publicar un comentario.