Si compraste un manual, recibirás el enlace de descarga por correo electrónico dentro de nuestro horario de atención:
🕒 8:00 AM a 12:00 AM (hora de Venezuela).
Si realizaste tu compra en la madrugada, por favor ten paciencia: te enviaremos tu pedido tan pronto como estemos disponibles.
Sabemos que estás esperando tu manual, y queremos que lo recibas lo antes posible.
Si tienes dudas o necesitas ayuda, comunícate a nuestro WhatsApp y con gusto te atenderemos.
¡Gracias por tu confianza y comprensión!
Manual De Taller Y Reparacion Ford Fiesta 1.1L Duratec 2017-2020
$24,95
Haz clic en el botón de pago de PayPal, haz tu pago de forma segura (No es necesario tener una cuenta paypal).
📦 Entrega gratuita via email. Sin suscripciones ni instalaciones complicadas. Solo descargas y usas.

Todos los pagos que realices seran recibidos a TASA BCV. Pide los datos de pago a nuestro whatsapp comunicate aqui
Escanea el codigo Qr con la app de airtm y realiza el pago, recuerda reportarlo a nuestro email o whatsapp.
Escanea el codigo Qr y realiza tu pago en USDT por la red TRON o en Bitcoin por la red Bitcoin, recuerda reportarlo a nuestro email o whatsapp.

RED -> TF6EyVo1YGgEMypZBDTiyaWovevDZgMvi3

RED -> 14VWztSo1ogKD6rdRqkaopfsWxWJgp3VMu
Descripción
Manual de Reparación Ford Fiesta 1.1L Duratec 2017–2020 en PDF
“Este no es un resumen. Es el manual completo que usa un técnico certificado.”
“Lleva el taller contigo.”
Inversión única. Descarga inmediata. Soporte incluido.

Detalles del archivo
- Idioma: Inglés técnico
- Formato: PDF (comprimido en .zip)
- Peso digital: 104 MB aproximadamente
- Edición: 2017 (válido para modelos 2017–2020)
- Compatible con: Windows XP, 7, 8, 10, 11
No ha sido testeado en Mac. Se recomienda precaución.
Motores y transmisiones cubiertos
Especificaciones del motor
| Motor | Cilindrada | Distribución | Cilindros / Válvulas | Potencia / Torque | Descripción Técnica |
|---|---|---|---|---|---|
| 1.1L DOHC Duratec | 1,084 cc | DOHC | I3 / 12 válvulas | 85 hp @ 6,300 rpm / 110 Nm @ 4,000 rpm | Aspirado naturalmente, inyección multipunto, distribución Ti-VCT |
Especificaciones de la transmisión
| Tipo | Modelo | Velocidades | Tracción | Descripción Técnica |
|---|---|---|---|---|
| Manual | 5MX65 | 5 | FWD | Transmisión sincronizada, bajo peso, optimizada para eficiencia urbana |
Contenido del manual
- Manual de taller completo
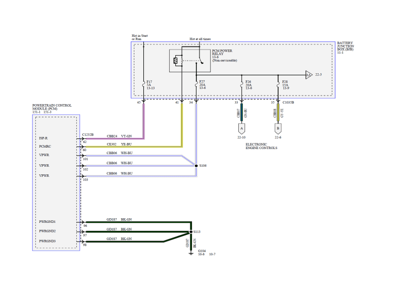
- Diagramas eléctricos
- Manual de usuario / propietario
Incluye temas como:
- Información general
- Motor
- Suspensión delantera y trasera
- Eje de transmisión
- Sistema eléctrico del motor y carrocería
- Sistema de ignición y batería
- Frenos
- Asientos
- Transmisiones automáticas
- Dirección
- HVAC (calefacción y ventilación)
- Carrocería y accesorios
- Y mucho más (preguntar si tiene dudas)
Nota: Si tu vehículo es edición especial o modificado, consulta antes de comprar. También puedes preguntar por temas específicos del manual.
Consulta más manuales en la categoría:
FORD
¿Cómo sería la entrega?
- Elige el manual de reparación que prefieras.
- Realice su pago
(si tienes problemas para realizar tu pago, contáctanos a través de WhatsApp haciendo clic en
Contactar). - Recibirás tu archivo por correo electrónico tras la verificación del pago. Si pagas con Binance o moneda de Venezuela, deberás proporcionarnos tu email vía WhatsApp.
Información adicional
| Fabricantes |
|---|











Deja una respuesta
Lo siento, debes estar conectado para publicar un comentario.