Si compraste un manual, recibirás el enlace de descarga por correo electrónico dentro de nuestro horario de atención:
🕒 8:00 AM a 12:00 AM (hora de Venezuela).
Si realizaste tu compra en la madrugada, por favor ten paciencia: te enviaremos tu pedido tan pronto como estemos disponibles.
Sabemos que estás esperando tu manual, y queremos que lo recibas lo antes posible.
Si tienes dudas o necesitas ayuda, comunícate a nuestro WhatsApp y con gusto te atenderemos.
¡Gracias por tu confianza y comprensión!
Manual De Taller Y Reparacion Ford Explorer 2020-2022
$24,95
Haz clic en el botón de pago de PayPal, haz tu pago de forma segura (No es necesario tener una cuenta paypal).
📦 Entrega gratuita via email. Sin suscripciones ni instalaciones complicadas. Solo descargas y usas.

Todos los pagos que realices seran recibidos a TASA BCV. Pide los datos de pago a nuestro whatsapp comunicate aqui
Escanea el codigo Qr con la app de airtm y realiza el pago, recuerda reportarlo a nuestro email o whatsapp.
Escanea el codigo Qr y realiza tu pago en USDT por la red TRON o en Bitcoin por la red Bitcoin, recuerda reportarlo a nuestro email o whatsapp.

RED -> TF6EyVo1YGgEMypZBDTiyaWovevDZgMvi3

RED -> 14VWztSo1ogKD6rdRqkaopfsWxWJgp3VMu
Descripción
Manual de Reparación Ford Explorer 2020–2022 en PDF
“Este no es un resumen. Es el manual completo que usa un técnico certificado.”
“Lleva el taller contigo.”
Inversión única. Descarga inmediata. Soporte incluido.

Detalles del archivo
- Idioma: Inglés técnico
- Formato: PDF (comprimido en .zip)
- Peso digital: 197 MB aproximadamente
- Edición: 2020 (válido para modelos 2020–2022)
- Compatible con: Windows XP, 7, 8, 10, 11
No ha sido testeado en Mac. Se recomienda precaución.
Especificaciones técnicas del motor
| Motor | Cilindrada | Distribución | Cilindros / Válvulas | Potencia / Torque | Descripción Técnica |
|---|---|---|---|---|---|
| 2.3L EcoBoost GTDI | 2,261 cc | DOHC | I4 / 16 válvulas | 300 hp @ 5,500 rpm / 420 Nm @ 3,000 rpm | Turboalimentado, inyección directa, bloque aluminio |
| 3.0L EcoBoost GTDI | 2,956 cc | DOHC | V6 / 24 válvulas | 400 hp @ 5,500 rpm / 563 Nm @ 3,500 rpm | Twin-turbo, sistema intercooler, alto desempeño |
| 3.3L Duratec | 3,296 cc | DOHC | V6 / 24 válvulas | 285 hp @ 6,500 rpm / 353 Nm @ 4,000 rpm | Aspirado naturalmente, enfocado en eficiencia |
| 3.3L Duratec Híbrido | 3,296 cc | DOHC | V6 / 24 válvulas | 318 hp combinado / ~437 Nm estimado | Motor térmico + eléctrico, híbrido modular de alto rendimiento |
Especificaciones técnicas de la transmisión
| Tipo | Modelo | Velocidades | Tracción | Descripción Técnica |
|---|---|---|---|---|
| Automática | 10R60 | 10 | RWD / AWD | Programación inteligente, shift-by-wire, convertidor inteligente |
Contenido del manual
- Manual de taller completo
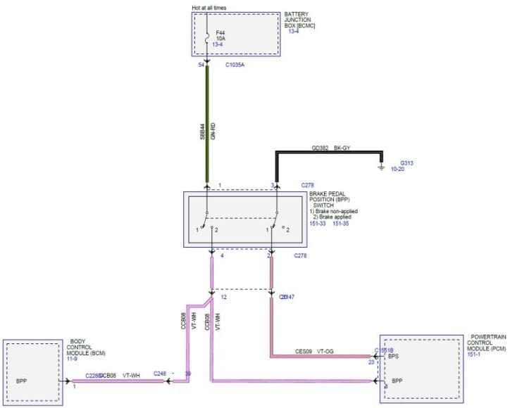
- Diagramas eléctricos
- Manual de usuario / propietario
Incluye temas como:
- Información general
- Motor
- Suspensión delantera y trasera
- Eje de transmisión
- Sistema eléctrico del motor y carrocería
- Sistema de ignición y batería
- Frenos
- Interior / Asientos
- Transmisiones automáticas
- Dirección
- HVAC (calefacción y ventilación)
- Restricciones
- Carrocería y accesorios
- Y mucho más (preguntar si tienes dudas)
Nota: Si tu Explorer es una versión especial (híbrida, Platinum, ST, etc.), consulta antes de comprar.
¿Cómo sería la entrega?
- Elige el manual de reparación que prefieras.
- Realiza tu pago
(Si tienes problemas para pagar, contáctanos por WhatsApp:
Contactar). - Recibirás tu archivo por correo electrónico tras la verificación del pago.
Información adicional
| Fabricantes |
|---|














Deja una respuesta
Lo siento, debes estar conectado para publicar un comentario.