Si compraste un manual, recibirás el enlace de descarga por correo electrónico dentro de nuestro horario de atención:
🕒 8:00 AM a 12:00 AM (hora de Venezuela).
Si realizaste tu compra en la madrugada, por favor ten paciencia: te enviaremos tu pedido tan pronto como estemos disponibles.
Sabemos que estás esperando tu manual, y queremos que lo recibas lo antes posible.
Si tienes dudas o necesitas ayuda, comunícate a nuestro WhatsApp y con gusto te atenderemos.
¡Gracias por tu confianza y comprensión!
Manual De Taller Y Reparacion Mazda 5 2005-2007
$7,95
Haz clic en el botón de pago de PayPal, haz tu pago de forma segura (No es necesario tener una cuenta paypal).
📦 Entrega gratuita via email. Sin suscripciones ni instalaciones complicadas. Solo descargas y usas.

Todos los pagos que realices seran recibidos a TASA BCV. Pide los datos de pago a nuestro whatsapp comunicate aqui
Escanea el codigo Qr con la app de airtm y realiza el pago, recuerda reportarlo a nuestro email o whatsapp.
Escanea el codigo Qr y realiza tu pago en USDT por la red TRON o en Bitcoin por la red Bitcoin, recuerda reportarlo a nuestro email o whatsapp.

RED -> TF6EyVo1YGgEMypZBDTiyaWovevDZgMvi3

RED -> 14VWztSo1ogKD6rdRqkaopfsWxWJgp3VMu
Descripción
Manual de Reparación Mazda 5 2005–2007 en PDF
“Este no es un resumen. Es el manual completo que utiliza un técnico certificado.”
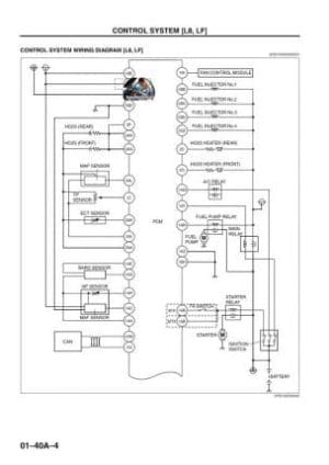
Incluye manual técnico, diagramas eléctricos y desmontaje completo por sistema. Compatible con motorizaciones gasolina y diésel.

📦 Detalles del archivo
- Idioma: Inglés
- Formato: PDF
- Tamaño comprimido: 88 MB (.zip)
⚙️ Requisitos del sistema
- Adobe Reader
- Windows XP, 7, 8, 10 y 11
⚠️ Usuarios de macOS: por favor notifíquelo al momento de su pago.
🚗 Motores compatibles
| Motor | Tipo | Cilindrada | Configuración |
|---|---|---|---|
| L8 | DOHC | 1.8L | 4 cilindros en línea / 16 válvulas |
| LF | DOHC | 2.0L | 4 cilindros en línea / 16 válvulas |
| MZR-CD | DOHC Diésel | 2.0L | 4 cilindros en línea / 16 válvulas |
⚙️ Transmisiones compatibles
- Automática: FN4A-EL
- Manual: G35M-R y A26M-R
📘 Contenido del manual
- Manual de taller completo
- Diagramas eléctricos
- Manual técnico e información general
Incluye secciones como:
- Motor (montaje, sensores, inyección)
- Transmisiones manual y automática
- Suspensión delantera y trasera
- Eje de transmisión y diferencial
- Frenos (ABS, hidráulicos)
- HVAC (calefacción, ventilación y aire acondicionado)
- Dirección asistida
- Asientos, cinturones y sistemas de restricción
- Carrocería, puertas, iluminación y accesorios
- Y mucho más (consulta si deseas validar un sistema específico)
Nota importante: Si tu Mazda 5 tiene techo solar, 7 asientos, navegación o control de estabilidad (DSC), valida compatibilidad antes de adquirir.
📥 ¿Cómo se entrega?
- Selecciona el manual que necesites.
- Realiza tu pago
(¿problemas? Escríbenos por WhatsApp:
Contactar) - Recibirás tu archivo en menos de 1 hora por correo electrónico tras verificar el pago. Si pagas en moneda local o con Binance, recuerda enviarnos tu correo vía WhatsApp.
🔎 ¿Buscas otros manuales Mazda?
Explora el catálogo completo 👉🏼
Ver todos los manuales Mazda en Tutalleronline.com
Información adicional
| Fabricantes |
|---|











Deja una respuesta
Lo siento, debes estar conectado para publicar un comentario.