📢 Importante: Los despachos no son automáticos.

Si compraste un manual, recibirás el enlace de descarga por correo electrónico dentro de nuestro horario de atención:
🕒 8:00 AM a 12:00 AM (hora de Venezuela).

Si realizaste tu compra en la madrugada, por favor ten paciencia: te enviaremos tu pedido tan pronto como estemos disponibles.
Sabemos que estás esperando tu manual, y queremos que lo recibas lo antes posible.

Si tienes dudas o necesitas ayuda, comunícate a nuestro WhatsApp y con gusto te atenderemos.

¡Gracias por tu confianza y comprensión!

Manual de taller dodge ram 1500 2500 3500 1995-2001

$7,95




Haz clic en el botón de pago de PayPal, haz tu pago de forma segura (No es necesario tener una cuenta paypal). 

📦 Entrega gratuita via email. Sin suscripciones ni instalaciones complicadas. Solo descargas y usas.


Pago-movil-venezuela-tutalleronline

Todos los pagos que realices seran recibidos a TASA BCV. Pide los datos de pago a nuestro whatsapp comunicate aqui


AirtmQr - tutalleronlineEscanea el codigo Qr con la app de airtm y realiza el pago, recuerda reportarlo a nuestro email o whatsapp.


Escanea el codigo Qr y realiza tu pago en USDT por la red TRON o en Bitcoin por la red Bitcoin, recuerda reportarlo a nuestro email o whatsapp.

USDT - Tutalleronline

RED -> TF6EyVo1YGgEMypZBDTiyaWovevDZgMvi3

BTC - Tutalleronline

RED -> 14VWztSo1ogKD6rdRqkaopfsWxWJgp3VMu

Descripción

Manual de Reparación Dodge RAM 1500/2500/3500 1995–2001 en PDF

“Este no es un resumen. Es el manual completo que usa un técnico certificado.
“Lleva el taller contigo.”
Inversión única. Descarga inmediata. Soporte incluido.

DODGE RAM 1500 2500 3500 1995-2001 - Tutalleronline - 1

Detalles del archivo

  • Idioma: Inglés técnico
  • Formato: PDF (comprimido en .rar)
  • Peso digital: 119 MB aproximadamente
  • Edición: Años 1995–2001
  • Compatible con: Windows XP/7/8/10/11

No ha sido testeado en Mac. Se recomienda precaución.

Motores y transmisiones cubiertos

Especificaciones técnicas de los motores

Motor Cilindrada Distribución Cilindros / Válvulas Potencia
PowerTech 3.7L 3,703 cc SOHC V6 / 12 válvulas 210 hp
PowerTech 4.7L 4,701 cc SOHC V8 / 16 válvulas 235 hp
Magnum 5.9L 5,899 cc OHV V8 / 16 válvulas 245 hp
Magnum 8.0L 7,997 cc OHV V10 / 20 válvulas 310 hp
Cummins 5.9L Turbo-Diesel 5,883 cc OHV Turbo L6 / 24 válvulas 215–235 hp

Transmisiones

Tipo Modelos Características
Automática 46RE / 45RFE 4 velocidades, control electrónico
Manual NV3500 5 velocidades, sincronizada

Contenido del manual

  • Manual de taller completo
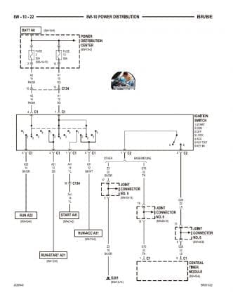
  • Diagramas eléctricos
  • Manual de usuario / propietario

Incluye temas como:

  • Información general
  • Motor y transmisión
  • Suspensión, frenos, dirección
  • HVAC (calefacción y ventilación)
  • Carrocería y accesorios

Nota: Si tu vehículo es edición especial o modificado, consulta antes de comprar. También puedes preguntar por temas específicos del manual.

Consulta más manuales en la categoría:
DODGE.


¿Cómo sería la entrega?

  1. Elige el manual de reparación que prefieras.
  2. Realice su pago
    (si tienes problemas, contáctanos por WhatsApp haciendo clic en
    Contactar).
  3. Recibirás tu archivo por correo electrónico en menos de 1 hora tras la verificación del pago. Si pagas con criptomonedas o bolívares, por favor proporciona tu email vía WhatsApp.

Información adicional

Fabricantes

También te recomendamos…

Deja una respuesta