Si compraste un manual, recibirás el enlace de descarga por correo electrónico dentro de nuestro horario de atención:
🕒 8:00 AM a 12:00 AM (hora de Venezuela).
Si realizaste tu compra en la madrugada, por favor ten paciencia: te enviaremos tu pedido tan pronto como estemos disponibles.
Sabemos que estás esperando tu manual, y queremos que lo recibas lo antes posible.
Si tienes dudas o necesitas ayuda, comunícate a nuestro WhatsApp y con gusto te atenderemos.
¡Gracias por tu confianza y comprensión!
Manual De Taller Y Reparacion Chevrolet Spark 2006-2010
$7,95
Haz clic en el botón de pago de PayPal, haz tu pago de forma segura (No es necesario tener una cuenta paypal).
📦 Entrega gratuita via email. Sin suscripciones ni instalaciones complicadas. Solo descargas y usas.

Todos los pagos que realices seran recibidos a TASA BCV. Pide los datos de pago a nuestro whatsapp comunicate aqui
Escanea el codigo Qr con la app de airtm y realiza el pago, recuerda reportarlo a nuestro email o whatsapp.
Escanea el codigo Qr y realiza tu pago en USDT por la red TRON o en Bitcoin por la red Bitcoin, recuerda reportarlo a nuestro email o whatsapp.

RED -> TF6EyVo1YGgEMypZBDTiyaWovevDZgMvi3

RED -> 14VWztSo1ogKD6rdRqkaopfsWxWJgp3VMu
Descripción
Manual de Reparación Chevrolet Spark 2006–2010 en HTML
“Este no es un resumen. Es el manual completo que usa un técnico certificado.”
“Lleva el taller contigo.”
Inversión única. Descarga inmediata. Soporte incluido.

Detalles del archivo
- Idioma: Inglés técnico
- Formato: HTML ( se visualiza con el navegador web, no hay necesidad de tener conexion a internet)
- Peso digital: 802 MB aproximadamente
- Edición: Años 2006–2010
- Compatible con: Windows XP/7/8/10/11
NO apto para sistemas operativos de tipo MAC.
Motores y transmisiones cubiertos
Especificaciones técnicas de los motores S-TEC
| Modelo de Motor | Cilindrada | Cilindros / Válvulas | Distribución | Observaciones |
|---|---|---|---|---|
| S-TEC 1.0L | 995 cc | 4 en línea / 8 válvulas | SOHC | Gasolina, inyección electrónica, 65 hp / 91 Nm |
| S-TEC 0.8L | 796 cc | 3 en línea / 6 válvulas | SOHC | Gasolina, inyección electrónica, 48 hp / 71.5 Nm |
Ambos motores fueron desarrollados para vehículos urbanos compactos, con excelente economía de combustible y bajo mantenimiento. Utilizados en el Chevrolet Spark y Matiz.
Transmisiones
| Tipo | Modelos | Características |
|---|---|---|
| Automática | Jatco JF405E | 4 velocidades, control electrónico, compacta |
| Manual | Y4M, Y4A | 5 velocidades, tracción delantera, sincronizada |
Estas transmisiones fueron utilizadas según la versión y motorización del Spark en mercados globales.
Contenido del manual
- Manual de taller completo
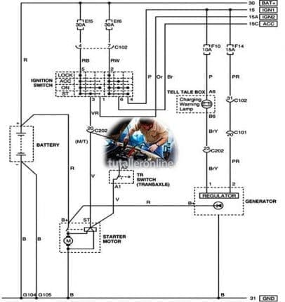
- Diagramas eléctricos
- Guía de tiempo de trabajo
- Inspección de pre entrega
- Manual de usuario / propietario
Incluye temas como:
- Información general
- Motor y transmisión
- Suspensión, frenos, dirección
- HVAC (calefacción y ventilación)
- Sistemas de seguridad y airbags
- Carrocería y accesorios
Nota: Si tu vehículo es edición especial o modificado, consulta antes de comprar. También puedes preguntar por temas específicos del manual.
Consulta más manuales en la categoría:
CHEVROLET.
¿Cómo sería la entrega?
- Elige el manual de reparación que prefieras.
- Realice su pago
(si tienes problemas, contáctanos por WhatsApp haciendo clic en
Contactar). - Recibirás tu archivo por correo electrónico en menos de 1 hora tras la verificación del pago. Si pagas con criptomonedas o bolívares, por favor proporciona tu email vía WhatsApp.
Información adicional
| Fabricantes |
|---|








Deja una respuesta
Lo siento, debes estar conectado para publicar un comentario.