Si compraste un manual, recibirás el enlace de descarga por correo electrónico dentro de nuestro horario de atención:
🕒 8:00 AM a 12:00 AM (hora de Venezuela).
Si realizaste tu compra en la madrugada, por favor ten paciencia: te enviaremos tu pedido tan pronto como estemos disponibles.
Sabemos que estás esperando tu manual, y queremos que lo recibas lo antes posible.
Si tienes dudas o necesitas ayuda, comunícate a nuestro WhatsApp y con gusto te atenderemos.
¡Gracias por tu confianza y comprensión!
Manual De Taller Y Reparacion Chevrolet Captiva 2007-2008
$14,95
Haz clic en el botón de pago de PayPal, haz tu pago de forma segura (No es necesario tener una cuenta paypal).
📦 Entrega gratuita via email. Sin suscripciones ni instalaciones complicadas. Solo descargas y usas.

Todos los pagos que realices seran recibidos a TASA BCV. Pide los datos de pago a nuestro whatsapp comunicate aqui
Escanea el codigo Qr con la app de airtm y realiza el pago, recuerda reportarlo a nuestro email o whatsapp.
Escanea el codigo Qr y realiza tu pago en USDT por la red TRON o en Bitcoin por la red Bitcoin, recuerda reportarlo a nuestro email o whatsapp.

RED -> TF6EyVo1YGgEMypZBDTiyaWovevDZgMvi3

RED -> 14VWztSo1ogKD6rdRqkaopfsWxWJgp3VMu
Descripción
Manual de Reparación Chevrolet Captiva 2007–2008 en HTML
“Este no es un resumen. Es el manual completo que usa un técnico certificado.”
“Lleva el taller contigo.”
Inversión única. Descarga inmediata. Soporte incluido.

Detalles del archivo
- Idioma: Inglés técnico
- Formato: HTML (se visualiza con el navegador web, offline, sin conexion)
- Peso digital: 542 MB aproximadamente
- Edición: Años 2007–2008
- Compatible con: Windows XP/7/8/10/11
No apto para sistemas operativos de tipo MAC
Motores y transmisiones cubiertos
Especificaciones técnicas de los motores
| Modelo de Motor | Cilindrada | Cilindros / Válvulas | Distribución | Observaciones |
|---|---|---|---|---|
| Alloytec HFV6 (3.2L) | 3.2 L (3,195 cc) | V6 / 24 válvulas | DOHC | Gasolina, inyección secuencial, VVT, aluminio, 227 hp |
| Ecotec (2.4L) | 2.4 L (2,384 cc) | 4 en línea / 16 válvulas | DOHC | Gasolina, VVT, inyección electrónica, 170 hp |
| RA 420 VCDi (2.0L) | 2.0 L (1,991 cc) | 4 en línea / 16 válvulas | SOHC | Diésel turbo, Common Rail, intercooler, 150 hp / 320 Nm |
Estos motores fueron utilizados en distintas versiones del Chevrolet Captiva 2007–2008, ofreciendo opciones gasolina y diésel con buen rendimiento y fiabilidad.
Transmisiones
| Tipo | Modelos | Características |
|---|---|---|
| Automática | 55-51LE | 5 velocidades, control electrónico, tracción delantera o AWD |
| Manual | D33 | 5 velocidades, sincronizada, tracción delantera o AWD |
Las transmisiones se asignaban según la motorización y configuración del vehículo (FWD o AWD).
Contenido del manual
- Manual de taller completo
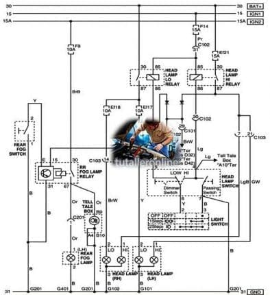
- Diagramas eléctricos
- Manual de reparación de carrocería
- Guía de tiempo de trabajo
- Inspección de pre entrega
- Manual de usuario / propietario
Incluye temas como:
- Información general
- Motor y transmisión
- Suspensión, frenos, dirección
- HVAC (calefacción y ventilación)
- Sistemas de seguridad y airbags
- Carrocería y accesorios
Nota: Si tu vehículo es edición especial o modificado, consulta antes de comprar. También puedes preguntar por temas específicos del manual.
Consulta más manuales en la categoría:
CHEVROLET.
¿Cómo sería la entrega?
- Elige el manual de reparación que prefieras.
- Realice su pago
(si tienes problemas, contáctanos por WhatsApp haciendo clic en
Contactar). - Recibirás tu archivo por correo electrónico en menos de 1 hora tras la verificación del pago. Si pagas con criptomonedas o bolívares, por favor proporciona tu email vía WhatsApp.
Información adicional
| Fabricantes |
|---|











Deja una respuesta
Lo siento, debes estar conectado para publicar un comentario.