Si compraste un manual, recibirás el enlace de descarga por correo electrónico dentro de nuestro horario de atención:
🕒 8:00 AM a 12:00 AM (hora de Venezuela).
Si realizaste tu compra en la madrugada, por favor ten paciencia: te enviaremos tu pedido tan pronto como estemos disponibles.
Sabemos que estás esperando tu manual, y queremos que lo recibas lo antes posible.
Si tienes dudas o necesitas ayuda, comunícate a nuestro WhatsApp y con gusto te atenderemos.
¡Gracias por tu confianza y comprensión!
Manual De Taller Y Reparacion Ford Escape 2013-2016
$19,95
Haz clic en el botón de pago de PayPal, haz tu pago de forma segura (No es necesario tener una cuenta paypal).
📦 Entrega gratuita via email. Sin suscripciones ni instalaciones complicadas. Solo descargas y usas.

Todos los pagos que realices seran recibidos a TASA BCV. Pide los datos de pago a nuestro whatsapp comunicate aqui
Escanea el codigo Qr con la app de airtm y realiza el pago, recuerda reportarlo a nuestro email o whatsapp.
Escanea el codigo Qr y realiza tu pago en USDT por la red TRON o en Bitcoin por la red Bitcoin, recuerda reportarlo a nuestro email o whatsapp.

RED -> TF6EyVo1YGgEMypZBDTiyaWovevDZgMvi3

RED -> 14VWztSo1ogKD6rdRqkaopfsWxWJgp3VMu
Descripción
Manual de Reparación Ford Escape 2013–2016 en HTML
“Este no es un resumen. Es el manual completo que usa un técnico certificado.”
“Lleva el taller contigo.”
Inversión única. Descarga inmediata. Soporte incluido.

Detalles del archivo
- Idioma: Inglés técnico
- Formato: HTML (comprimido en .zip)
- Peso digital: 247 MB aproximadamente
- Edición: 2013 (válido para modelos 2013–2016)
- Compatible con: Windows XP/7/8/10/11
No ha sido testeado en Mac. Se recomienda precaución.
Motores avalados
| Motor | Cilindrada | Distribución | Cilindros / Válvulas | Potencia / Torque | Descripción Técnica |
|---|---|---|---|---|---|
| 1.6L GTDI Ti-VCT | 1,596 cc | DOHC | L4 / 16 | 178 hp @ 5,700 rpm / 240 Nm @ 2,500 rpm | Turbo, inyección directa, distribución variable independiente |
| 2.0L GTDI Ti-VCT | 1,999 cc | DOHC | L4 / 16 | 240 hp @ 5,500 rpm / 366 Nm @ 3,000 rpm | Turbo EcoBoost, inyección directa, intercooler |
| 2.5L DOHC SFI | 2,488 cc | DOHC | L4 / 16 | 168 hp @ 6,000 rpm / 230 Nm @ 4,500 rpm | Inyección secuencial multipunto, compresión 9.7:1 |
Transmisiones avaladas
| Tipo | Modelo | Velocidades | Tracción | Descripción Técnica |
|---|---|---|---|---|
| Automática | 6F35 AWD | 6 | AWD / FWD | Convertidor de par, control electrónico, modo secuencial |
Contenido del manual
- Manual de taller completo
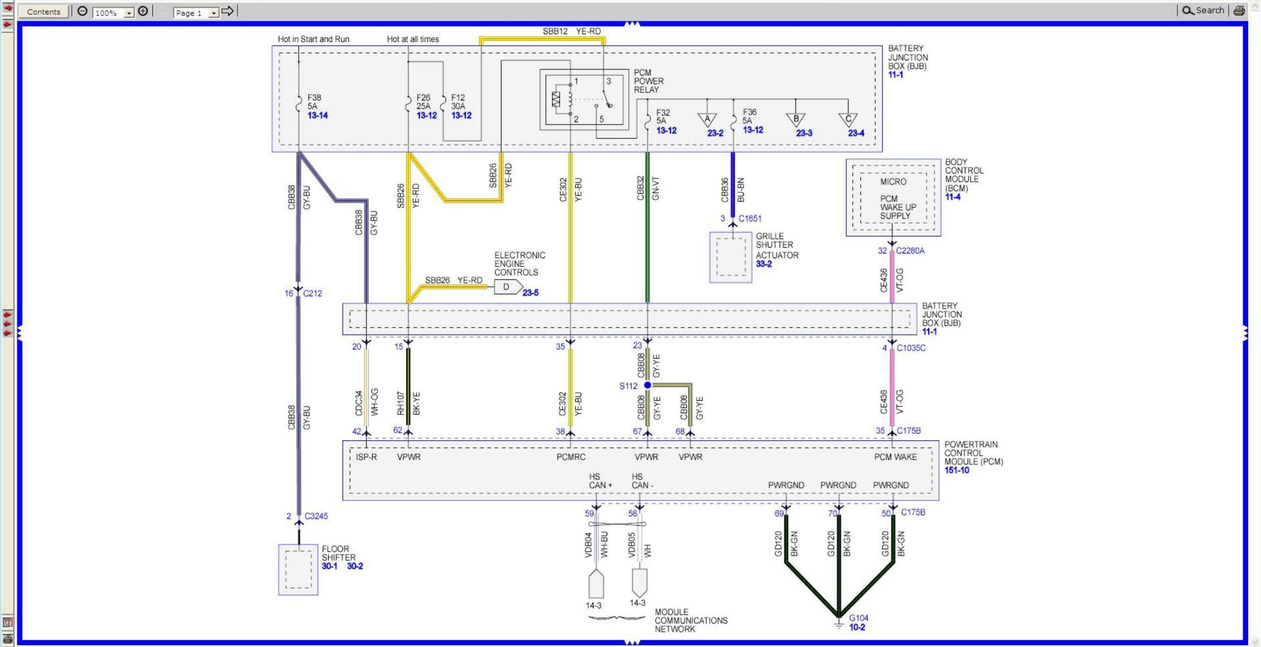
- Diagramas eléctricos
Incluye temas como:
- Información general
- Motor y sistema eléctrico
- Suspensión delantera y trasera
- Transmisión automática
- Dirección, frenos y HVAC
- Cuerpo, accesorios y sistema de encendido
Consulta más manuales en la categoría:
FORD
¿Cómo sería la entrega?
- Elige el manual de reparación que prefieras.
- Realice su pago
(si tienes problemas, contáctanos por WhatsApp haciendo clic en
Contactar). - Recibirás tu archivo por correo electrónico en menos de 1 hora tras la verificación del pago. Si pagas con criptomonedas o bolívares, por favor proporciona tu email vía WhatsApp.
Información adicional
| Fabricantes |
|---|
También te recomendamos…
Deja una respuesta
Lo siento, debes estar conectado para publicar un comentario.












2 respuestas a Manual De Taller Y Reparacion Ford Escape 2013-2016